目录
1.LED 特性
2.用恒流直流源驱动 LED
3.一些直流恒流源
4.串联 LED
5.并联 LED 串
6. 平衡并联 LED 串中的电流
7. 并联串还是网格阵列 – 哪种更好?
8. 散热考虑因素
9. 温度降额
10. 亮度补偿(请登录或注册)
11. 使用 RCD 驱动器时的一些电路设计思路(请登录或注册)
12. PWM 到模拟输入(请登录或注册)
13. 切换 LED 串(请登录或注册)
14. LED 背光(请登录或注册)
15. 应急灯(请登录或注册)
16. 简单 RGBW 混合器(请登录或注册)
17. 简单相位角可调 LED 驱动器(请登录或注册)
18. 关于 RECOM(请登录或注册)
19. 典型应用(请登录或注册)
1.LED 特性
战争的第一准则是“了解你的敌人”。这也适用于固态照明 (SSL);如果不了解 LED 的工作原理,那么当您的应用未取得成功时,请不要吃惊。
LED 是非线性器件。如果对 LED 施加低电压,它不会导电。随着电压的增加,超过一个阈值,此时 LED 会突然开始发光,电流急剧增大。此后,如果电压继续上升,LED 会迅速过热并烧毁。诀窍是在全关和全开之间的窄带内操作 LED。

图 1:大功率 LED 的有效工作区域 [Ta = 25°C]
然而,还有一个额外的复杂因素。不同的大功率 LED 的有效工作区域电压是不同的(即使来自同一批次和供应商),而且电压范围会随着环境温度和 LED 的使用年限而变化。
图 2 展示了有效工作区域的更多细节。在本例中,根据数据表,我们发现 4 个相同的 LED 具有相同的规格。所有 LED 制造商都会根据 LED 发光的颜色进行分类(这称为“分选”,LED 在制造过程中会进行测试,根据其色温分选到不同的箱中)。
分选的结果是,所有 LED 都混合在一起,一次交付可能包括几个不同的生产批次,因此,预期阈值或正向电压 (V1) 的变化很大。大多数大功率 LED 数据表指定 V1 容差约为 20%,因此图 2 所示的大范围变化并不夸张。
在本例中,如果我们选择一个 3 V 的电源电压,则 LED 1 为过驱动,LED 2 汲取 300 mA,LED 3 汲取 270 mA,LED 4 只汲取 120 mA。

图 2:LED 特性详述
此外,这些曲线为动态曲线。随着 LED 升温至其工作温度,所有曲线都向左漂移(正向电压 Vf 随温度升高而降低)。这种转变通常发生得非常快(导通后的 0.1 s 内),然后随着散热器慢慢升温,漂移会更加平缓。为了避免这些温度漂移效应,制造商采用高频率脉冲驱动 LED,以得到全部以 25°C 为标准的结果。然而,这意味着实际 Vf 和数据表中给出的 Vf 并不相同(参见第 8 页的脚注)。
不过,由于 LED 的光输出与其通过电流成正比(见图 3),因此在上述 3 V 电源电压的示例中,LED 1 会亮得像超新星,LED 2 比 LED 3 稍亮一些,而 LED 4 则相对暗淡。

图 3:光输出与 LED 正向电流的关系
2.用恒流直流源驱动 LED
解决正向电压 V1 变化问题的解决方案是使用恒流而不是恒压来驱动 LED。
恒流 (CC) LED 驱动器自动调整输出电压,以保持输出电流稳定,从而使光输出保持恒定。此过程适用于单个 LED 或者串联的 LED 链或串。只要流经所有 LED 的电流相同,即使每个 LED 的 V1 不同,其亮度也相同(见图 4)。
随着 LED 升温至其最终工作温度,恒流驱动器会自动调整驱动电压,以保持流经 LED 的电流恒定,从而使 LED 亮度一致。
另一个主要优点是,恒流驱动器不会允许链中任何单个 LED 过驱动,这可确保延长其工作寿命。如果任何 LED 发生短路故障,其余 LED 仍然可以在正确的驱动电流下工作。

图 4:LED 串联示例
3.一些直流恒流源
最简单的恒流源是通过电阻器驱动 LED 的恒压电源(见图 5)。如果电阻器两端的压降与 LED 的正向电压大致相同,那么 V1 的 10% 变化会导致 LED 电流发生类似变化(与图 2 中的曲线相比,V1 的 10% 变化会导致 LED 电流发生约 50% 的变化)。这种解决方案成本低廉,但无法调节电流,且电力浪费严重。作为低压卤素灯的替代产品,许多低成本集群式 LED 灯泡使用这种方法。不言而喻,如果任何 LED 发生短路故障,电阻器就会过载,并且通常会在相对较短的时间内烧坏,因此这些集群式 LED 灯的寿命相对较短。

图 5:简单电阻器:成本效益高,但不准确且浪费严重
下一个最简单的恒流源是线性稳流器(图 6)。市场上有几种低成本的 LED 驱动器使用这种方法。或者,可在恒流模式下使用 LM317 等标准线性稳压器。内部反馈电路将电流调节保持在约 ±5% 以内,但多余功率必须以热量形式释放,因此稳流器需要良好的散热。这种解决方案的缺点是效率较低,这与使用高效 SSL 设备的概念相悖。

图 6:线性稳流器:成本效益高且准确,但仍然浪费严重
最佳恒流源是开关稳压器(见图 7)。这种驱动器的价格高于其他解决方案,但在 LED 宽负载范围内,其输出电流精度最高可达 <±3%,转换效率最高可达 96%,这意味着只有 4% 的能量以热量形式浪费,驱动器可以在高环境温度下使用。

图 7:开关稳压器:成本较高,但准确且高效
上述选项之间的一个重要区别是输入和输出电压范围。DC/DC 开关稳压器具有宽输入电压和输出电压范围,在此范围内恒流调节工作良好(例如,RCD-24-0.35 的工作电压范围是 5 V 至 36 VDC,输出电压范围是 2-34 VDC)。宽输出电压范围不仅支持许多不同的 LED 串长度组合,而且还支持宽调光范围。
如果使用电位器进行调光,上述另外两个选项(图 5 和 6)将会出现功耗问题,因为电阻器或线性稳压器会有较大压降,这将进一步增加功耗损失。由于同样的原因,输入电压范围也必须受到限制。
4.串联 LED
大多数大功率白光 LED 在 350 mA 恒流下工作。这是因为白光 LED 的化学性质将正向电压设定在约 3 V,3.0 V x 0.35 A ~ 1 W,这对 LED 来说十分方便。
大多数 DC/DC 恒流 LED 驱动器是降压或步降转换器。这意味着最大输出电压低于输入电压。因此,可以驱动的 LED 数量在很大程度上取决于输入电压。
| 输入电压 | 5VDC | 12VDC | 24VDC | 36VDC | 54VDC |
| 串中 LED 的典型数量 | 1 | 3 | 7 | 10* | 15 |
表 1:每串可驱动的 LED 数量与输入电压的关系
如果输入电压未经稳压(例如电池),则必须根据可用的最小输入电压减少 LED 最大数量。
*注意:一个常见的误解是,可驱动的 LED 数量取决于 LED 数据表中给出的最大 V1。实际上这并不正确,因为当 LED 达到其工作温度时,V1 会显著下降。因此,数据表中给出的 Vf 可以放心使用。数据表可能会声明在 25°C 环境温度下,Vf 最小值为 3.3 V,典型值为 3.6 V,最大值为 3.9 V。然而,在 50°C 时,这些数字将更接近于最小值 3.0 V,典型值 3.3 V,最大值 3.6 V。因此,24 V 的固定电源电压可为 7 个 LED 可靠供电,36 V 可为 10 个 LED 供电,即使 LED 驱动器仍需要一些电压余量才能可靠调节。
示例:12 V 铅酸电池可以驱动多少个 1 W 的 LED?
| 电池电压范围为 | 9-14VDC |
| DC/DC 驱动器电压余量为 | 1V |
| 因此,LED 驱动器输出电压范围为 | 8-13VDC |
| 如果 LED 正向电压,Vf 为 | 3.3V 典型 |
| 那么可驱动的 LED 最大数量为 | 2 |
两个 LED 不太多!解决这个问题的一种方法是使用输出电压高于输入电压的升压转换器,或者并联使用两个或多个 LED 串。对于使用的每个并联 LED 串,都需要增加驱动器电流以提供正确的总电流。因此,如果单串需要 350 mA 的驱动器,那么两个并联的串将需要 700 mA 的驱动器,三个并联的串将需要 1.05 A 的驱动器,以此类推。
因此,LED 驱动器的选择取决于可用的输入电压和需要驱动的 LED 总数。图 8、9 和 10 展示了对于 12 VDC 固定电源使用典型 1 W 白光 LED 的一些可能组合。
5.并联 LED 串
将单个 LED 串连接到 LED 驱动器是驱动 LED 最安全且最可靠的方法(图 8)。如果任何 LED 发生开路故障,串中其余 LED 的电流将被切断。如果任何 LED 发生短路故障,串中其余 LED 的电流将保持不变。

图 8:单串
优点:LED 电流精确,可实现故障保护(开路或短路)
缺点:每个驱动器驱动的 LED 数量较少(3 个 LED)
用一个 LED 驱动器驱动多个 LED 串的优点是可以驱动更多的 LED,但如果有任何 LED 发生故障,就会发生危险(图 9)。如果并联的两个串中的任何一个 LED 发生开路故障,700 mA 的恒流将流经其余 LED,并在极短时间内导致整个串发生故障。

图 9:双串
优点:每个驱动器的 LED 数量加倍(6 个 LED)
缺点:不支持故障保护,开路会使其他分支的电流加倍,短路会使串中的电流失衡
如果并联的三个串中的任何一个 LED 发生故障,其余两串将共享 1 A 的驱动电流(图 10)。

图 10:三串
优点:每个驱动器的 LED 数量增加三倍(9 个 LED)
缺点:没有故障保护,开路或短路会使串中的电流失衡
如果一个串发生开路故障,其他两个串将过载,每串电流为 500 mA。LED 可能会在一段时间内应对这种情况,具体取决于它们的散热效果,但最终过电流会导致另一个 LED 发生故障,然后第三个串将独自承受 1 A 电流,此时会立即发生故障。
如果任何 LED 发生短路故障,那么流经串的电流将严重失衡,大部分电流将流过短路的 LED 串。这最终会导致 LED 串发生故障,对其余串产生如上所述的灾难性多米诺骨牌效应。
大功率 LED 在使用时的可靠性很高,因此上述故障可能不会经常发生。因此,许多 LED 照明设计师选择采用单个驱动器运行多个串来实现便利性和成本节约,并且接受当任何单个 LED 发生故障,其余多个 LED 也会发生故障的风险。
6.平衡并联 LED 串中的电流
另一个重要的关注点是在多个串中流动的电流中找到平衡。我们知道,两个或三个 LED 串会有不同的组合式正向电压。LED 驱动器将在每个串的组合式正向电压的平均电压下提供恒流。对于某些串来说,此电压过高,而对于其他串来说则过低,因此无法平均分配电流。
流经多个串时 LED 的电流失衡:

图 11:理想的平衡

图 12:实际的平衡
在上述示例中,电流的失衡程度并不足以导致过载串发生故障,因此两个 LED 串都能稳定工作。但是,两个串之间的光输出将存在 6% 的差异。
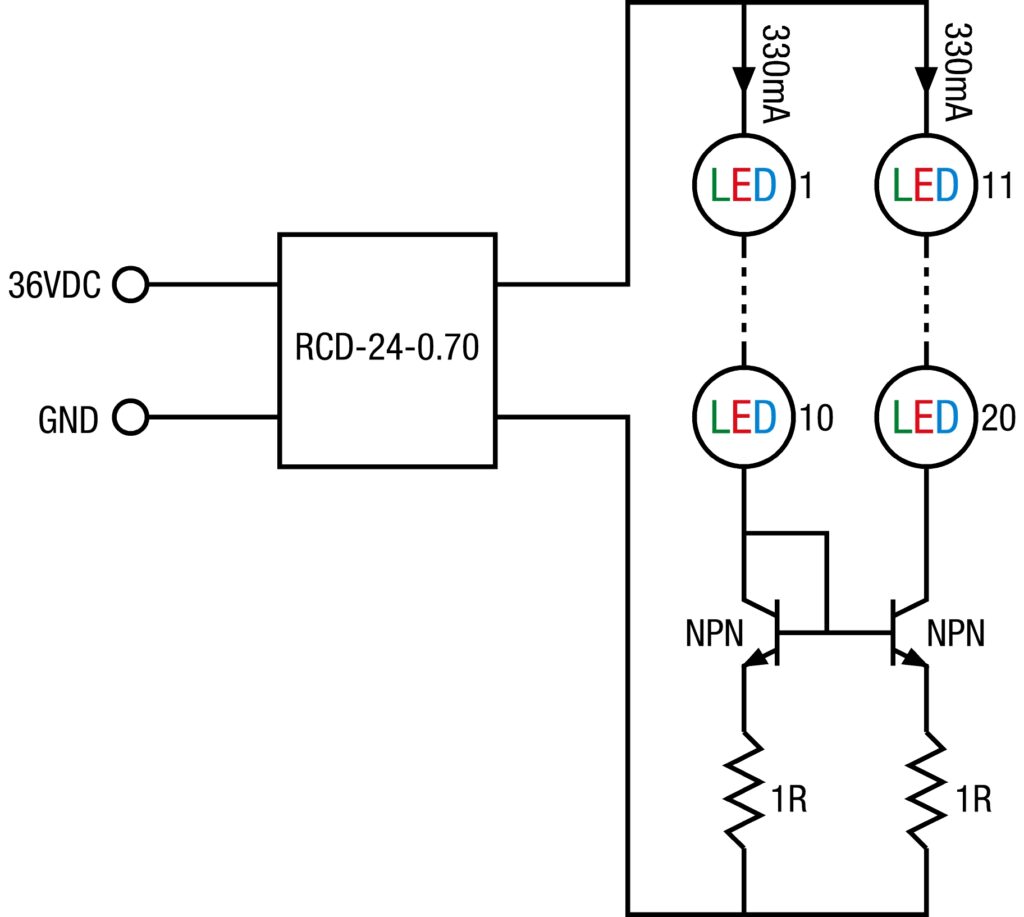
解决串中电流失衡问题的一种方法是为每个串使用一个驱动器,或者添加一个外部电路来均衡电流。这种电路称为电流镜像。

图 13:使用电流镜像平衡 LED 电流
第一个 NPN 型晶体管充当参考电流。第二个 NPN 型晶体管“镜像”该电流。这样,串中的电流会自动平均分配。理论上,电流镜像并不需要 1 Ω 的发射极电阻,但在实际应用中,它们有助于平衡晶体管之间的 Vbe 差异,从而提供更精确的电流平衡。
电流镜像还有助于防止 LED 发生故障。如果第一串中的任何 LED 出现开路故障,那么第二串就会受到保护(参考电流为零,所以其他串中的电流也会降到零)。此外,如果任何 LED 发生短路故障,那么电流仍然会平均分配。
不过,如果第二串中的任何 LED 发生开路故障,那么电流镜像将无法保护第一串中的 LED 免于过驱动。此电路经过改进后也可以避免这种情况,其中第一个晶体管使用假负载来设定其余串的电流。通过并联更多晶体管的基极连接,也可以将电流镜像扩展到三个或更多串。
一些 LED 驱动器制造商声称 LED 会自动平均分配电流,因此不需要这样的外部电流镜像电路。这种说法未必正确。除非 LED 串的组合式正向电压完全相同,否则始终存在失衡。
例如,当两个并联串安装到同一个散热器上时,如果一个串比另一个串输出更多电流,那么它就会更亮且更热。散热器的温度会缓慢升高,从而导致第二串的 Vf 下降,并使其也试图汲取更多电流。理论上,由于热反馈,这两个串应该能够平衡各自的电流。实际上,这种效应可以测量,尽管这还不足以保证精确电流平衡。
此外,如果这两个串实际上是两个独立的 LED 灯,则不会有热补偿反馈。Vf 组合最低的灯将汲取最大电流,产生最多热量,并且 Vf 仍将进一步下降。这将加剧失衡,并可能导致热失控和 LED 故障。
如今已经很少使用电流镜像解决方案。精确 LED 驱动器的成本已经降到相当低的水平,因此对于高级照明来说,最佳方案是让每一串灯都有自己的电流控制器。对于低级照明,出于成本原因,任何电流失衡和由此导致的寿命缩短都是可以接受的。
7.并联串还是网格阵列 – 哪种更好?
在前一章中,我们探讨了单个 LED 发生开路或短路故障的后果。并联串的数量越多,每串中单个故障导致其余串发生故障的危险就越低。因此,如果有五个串并联,那么当一个 LED 串发生开路故障时,其余四个串都只会被过驱动 125%。LED 会发出更亮的光,但只要散热良好,就不太可能发生故障。
并联多个串的缺点是需要一个能够提供几安培电流的驱动器,这可能会相当昂贵或难以找到。此外,使用能够提供高强度安培电流的 LED 驱动器时需要格外注意;如果 LED 负载过低,例如因为一些串的连接器连接错误,高电流会立即烧断其余 LED。在打开 LED 驱动器之前,需要特别注意所有连接是否完好。许多昂贵的 LED 灯配件因接线错误而永久损坏!
实际上,如果需要驱动多个 LED,最安全的做法是将每个驱动器的并联串数量限制为不超过五个,并使用几个低电流驱动器而非高电流驱动器。
使用更长的串也是一个好主意,因为如果任何 LED 出现短路故障,那么串越长,该串中电流的增加就越会成比例减少。
下一个问题是,我们是应该将 LED 单独串联,还是交叉串联以构成 LED 阵列。以下示例使用 15 个 LED 来说明这两种选项(在这两种情况下,驱动器保持不变)。可以将 15 个 LED 连接为五列,每列 3 个 LED,但由于上述原因,更常见的布局是三列,每列 5 个 LED。

图 14:将 LED 并联或构成网格阵列
网格阵列的优点是,如果任何 LED 发生开路故障,整列 LED 不会发生故障,只有与故障 LED 在同一行的 LED 会过载。如果任何 LED 发生短路故障,那么同一行的 LED 将不再亮起,但通过其余 LED 的电流仍然保持正确。
如果要确保 LED 光源的可靠性并且即使单个 LED 发生开路或短路故障仍能继续发光,那么使用网格阵列连接 LED 是最佳解决方案。
网格阵列的缺点是,每行的 V1 都会被平均分配,并且单个 LED 正向电压的 ±20% 容差可能导致 LED 的亮度不一致。这可能导致热点和某些 LED 的寿命缩短,外观也不雅观。如果需要容错并输出均匀光,那么最好使用三个独立的串和三个 350 mA 的驱动器。
8.散热考虑因素
如果大功率 LED 要达到数据表中给出的寿命,就需要良好的散热设计。第一个问题可能是,“为什么高效率 LED 会发热?”一个流明效率约为 50 lm/W 的 LED 比效率远低于自身的泛光灯需要更精心的散热设计,这似乎有悖常理。
一下示例可能有助于理解:一个 100 W 的卤素泛光灯能发出 5 W 的可见光。剩余的 95 W 耗散功率中,大约 80 W 会在不可见的红外区域辐射出去,15 W 会以热量形式传导到灯具外壳。一个 50 W 的 LED 泛光灯也能发出 5 W 的有用光。但是剩余的 45 W 功率都会以热量形式传导到外壳。
因此,尽管 LED 泛光灯的 LED 流明效率是其所取代的白炽灯的两倍,但 LED 外壳必须应对近三倍的传导热量。
白炽灯和 LED 光源之间的另一个重要区别是,白炽灯依赖于高温才能工作(毕竟灯丝需要发出白热光),而如果结温超过 100°C,LED 的寿命会急剧下降(因为它们是半导体)。
大功率 LED 的流明效率也会随着结温的升高而下降。数据表中给出的光通量输出值通常只适用于 25°C 的情况。
结温
LED 寿命 B50:50% 的生存率
表 2:LED 寿命与结温的关系
结温为 65°C 时,光输出通常会下降 10%,100°C 时,亮度会损失 20%(见图 15)。

图 15:LED 光通量与 LED 结温的关系
因此,设计精良的 LED 灯将在 LED 基板最高温度约为 65°C 时运行。确保 LED 温度不会过高的一种方法是对 LED 进行降额(随着温度的升高,降低电流,从而降低亮度)。下一节给出了一些实例。
9.温度降额
只有当散热充足且环境温度保持在合理范围内时,LED 才能持续以全功率运行。如果 LED 基板温度上升过高,则必须采取措施降低内部功耗。

图 16:典型 LED 温度降额曲线
图 16 显示了理想情况下 LED 电流与温度的关系。在制造商指定的最高工作温度下,LED 电流保持恒定。一旦 LED 温度超过最大限值,电流和功率就会降低,LED 会变暗以防止过热。这条曲线被称为“降额曲线”,可让 LED 在其安全功耗限值内工作。上图中的 55°C“阈值”温度是基板或散热器的温度,LED 本身通常会高出 15°C(即 70°C),内部结温高出近 35°C(即 90°C)。因此,55°C 是一个安全的全功率限值,尽管对于非常高性能的 LED 灯,这个限值最高可以提高到 65°C。
向 LED 驱动器添加自动散热降额:
如果 LED 驱动器具有调光输入,那么我们可以轻松添加一个外部温度传感器和一些外部电路,以重现上图所示的期望降额特性。RECOM 的 RCD-24 系列 LED 驱动器具有两种不同的调光输入,因此是解释如何向 LED 驱动器电路添加过温保护的理想选择。
使用 PTC 热敏电阻进行过温保护:
热敏电阻是一种随温度变化而改变其值的电阻。如果电阻随着温度升高而增加,则具有正温度系数 (PTC)。可以获得具有非常非线性特性的 PTC 热敏电阻(见图 17)。

图 17:典型 PTC 热敏电阻阻值/温度曲线
只要温度低于给定阈值(本例中为 70°C),PTC 热敏电阻就具有相对稳定的低阻值,大约在 100 Ω 左右。超过这个阈值,电阻增加非常迅速:在 80°C 时,电阻是 1 kΩ ;在 90°C 时,电阻是 10 kΩ;在 100°C 时,电阻是 100 kΩ。
我们可以利用这种响应,使用 RCD-24 系列 LED 驱动器的模拟调光输入,制作一个非常简单、成本低廉且可靠的过温保护电路(见图 18 和图 19)…
